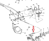
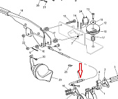
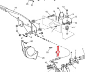
Вездеходы-амфбии ARGO производится канадской промышленной компанией «Ontario Drive & Gear Limited» c 1967 г. Компания Ontario Drive & Gear Limited была образована в 1962 году в г. Нью Гамбург, провинция Онтарио, Канада. Производственные мощности компании располагаются в зданиях общей площадью 9800 кв.м. Компания специализируется в разработке и производстве различных трансмиссий и зубчатых передач, а также снегоболотоходов, выпускаемых под торговыми марками ARGO. На протяжение своей истории компания неоднократно отмечалась специальными наградами за успехи в инновациях и качестве выпускаемой продукции.
Вездеходы-амфибии ARGO, успешно продаваемые в настоящее время во многих странах мира, доказали свою уникальность и эксплуатационные качества, особенно ценные в условиях удаленных районов. Надежный канадский вездеход-амфибия ARGO отлично подойдет тем, кто увлекается охотой. Охотничьи угодья и заповедные места становятся доступнее благодаря ARGO. Сверхширокие гусеницы, которые монтируются непосредственно на колеса, значительно повышают проходимость вездехода, а вместительный багажник и плавающий прицеп помогут довезти трофеи и снаряжение.
Любители подледной рыбалки будут с ARGO в полной безопасности. Если лед проломится- вездеход-амфибия останется на плаву. Ходовой чехол служит надежным укрытием для рыбаков и их снаряжения, а отопитель в салоне способен обогреть в любой мороз. Любители летней рыбалки с вездеходом-амфибией ARGO смогут добраться до труднодоступных рыбных мест, и не думать о необходимости перевозить с собой лодку.
Вездеходы-амфибии ARGO, успешно продаваемые в настоящее время во многих странах мира, доказали свою уникальность и эксплуатационные качества, особенно ценные в условиях удаленных районов. Надежный канадский вездеход-амфибия ARGO отлично подойдет тем, кто увлекается охотой. Охотничьи угодья и заповедные места становятся доступнее благодаря ARGO. Сверхширокие гусеницы, которые монтируются непосредственно на колеса, значительно повышают проходимость вездехода, а вместительный багажник и плавающий прицеп помогут довезти трофеи и снаряжение.
Любители подледной рыбалки будут с ARGO в полной безопасности. Если лед проломится- вездеход-амфибия останется на плаву. Ходовой чехол служит надежным укрытием для рыбаков и их снаряжения, а отопитель в салоне способен обогреть в любой мороз. Любители летней рыбалки с вездеходом-амфибией ARGO смогут добраться до труднодоступных рыбных мест, и не думать о необходимости перевозить с собой лодку.